Product Overview:
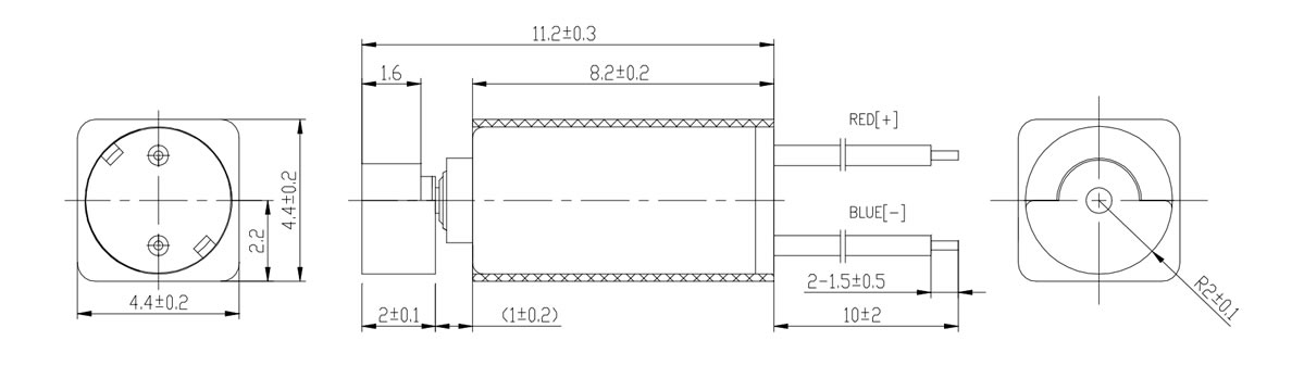
Size:11.2*4.4*4.4 | Rated voltage:3.0V | Rated current:≤80mA | Rated speed:14500±2500 | Starting voltage:≤2.3V
Downloads
Product Description













