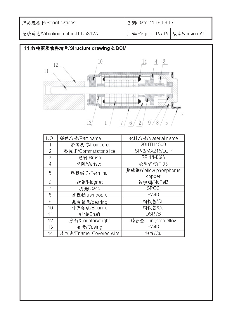
Product Overview:
Size:11.0*4.1*3.15 | Rated voltage:2.0V | Rated current:≤55mA | Rated speed:13500±2500 | Starting voltage:≤1.5V
Downloads
Product Description

















